DSA700
Entry level spectrum analyzers for education, IoT, hobby, and radio applications 500 MHz and 1 GHz models with option for Seamless Signal Capture, EMI, and more
Explore the DSA700 Series Spectrum Analyzers

Down to 10Hz Minimum Resolution Bandwidth (RBW)
Provides high resolution to separate signals with similar frequencies enabling easier signal identification

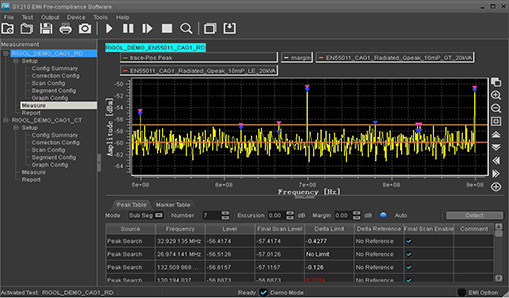
EMI PreCompliance Measurements (Option)
The DSA700 has an EMI filter (6 dB) and a quasi-peak detector to make EMI pre-test/diagnostics more accurate, and complete test and report generation using the host computer software S1210.

Excellent Noise Floor Reduction for Weak Signal Testing
Testing of weak signals is susceptible to the noise floor of the spectrum analyzer itself. The DSA700 series displays an average noise level as low as -130dBm (normalized to 100Hz), which effectively guarantees the ability to test weak signals.

ASK/FSK Signal Capture with Fast Capture
ASK/FSK modulation is usually used for car remote control keys, TPMS tire pressure modules and small wireless modules. The DSA700 can perform ASK/FSK signal capture through the SSC-DSA function extension, and has built-in 2FSK test function to directly obtain parameters such as center frequency, power and offset.
DSA700
Model
|
Frequency Range
|
Resolution Bandwidth (RBW)
|
Phase Noise (Typ.)
|
Displayed Average Noise Level (DANL)
|
Price
|
---|---|---|---|---|---|
DSA710
|
Frequency Range
|
Resolution Bandwidth (RBW)
|
Phase Noise (Typ.)
|
Displayed Average Noise Level (DANL)
|
|
DSA705
|
Frequency Range
|
Resolution Bandwidth (RBW)
|
Phase Noise (Typ.)
|
Displayed Average Noise Level (DANL)
|
Model
|
Description
|
Price
|
---|
Model
|
Description
|
Price
|
---|
Model
|
Description
|
Price
|
---|
Name
|
Version
|
Release time
|
---|---|---|
NFP-3 UserGuide
|
V1.0
|
2021-10-21
|
DSA700 UserGuide
|
UGD18102-1110
|
2021-10-22
|
DSA700 RackmountKit
|
V1.0
|
2021-10-21
|
DSA700 Options Accessories
|
UMD18100-1110
|
2021-10-22
|
Name
|
Version
|
Release time
|
---|---|---|
DSA700 DataSheet
|
V1.0
|
2021-10-22
|
Name
|
Version
|
Release time
|
---|---|---|
DSA700 QuickGuide
|
v1.0
|
2021-11-23
|
Name
|
Version
|
Release time
|
---|---|---|
DSA700 ProgrammingGuide
|
PGD18101-1110
|
2021-10-22
|
Name
|
Version
|
Release time
|
---|---|---|
DSA700-DSA815 Firmware
|
v00.01.19.00.02
|
2025-06-05
|
Name
|
Version
|
Release time
|
---|---|---|
S1210EMI-Pre-compliance-PC
|
V00.06.00.02
|
2021-10-22
|
S1210EMI-Pre-complianceSoftware-HelpDocument
|
V1.0
|
2021-10-26
|
TX1000(pc)Installer
|
00.01.00.02
|
2021-10-26
|
Ultra Spectrum(PC)Installer
|
00.01.00.29
|
2021-10-26
|
Ultra Sigma(HelpDocument)
|
V1.0
|
2021-10-26
|
UltraSigma
|
00.01.06.01
|
2021-10-26
|